В Светлом собираются построить навес над трибуной стадиона «Судоремонтник»

13 октября 2025, 07:06

В Светлом собираются построить навес над трибуной стадиона «Судоремонтник»
Фото: Госзакупки

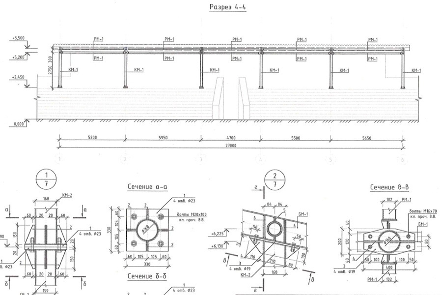
В Светлом на работы по монтажу навеса над центральной трибуной стадиона «Судоремонтник» на улице Молодёжной выделили 3 224 406 рублей. Заказчиком строительства выступила спортивная школа олимпийского резерва.

Судя по проекту, опубликованному на портале Госзакупок, навес будет представлять собой каркасную конструкцию с прямоугольной односкатной кровлей. Размеры навеса 27 на 6,8 метров. Держаться кровля должна на винтовых сваях.

Подведение итогов по выбору подрядчика намечено на 20 октября.

Напомним, что в начале лета этого года в Светлом ввели в эксплуатацию физкультурно-оздоровительный комплекс с бассейном на ул. Харьковской, 2в. Разрешение на ввод в эксплуатацию было получено 22 мая 2025 года. Строительством занималась международная компания, резидент специального административного района на Октябрьском острове ООО «Хлодвиг Энтерпрайзес».

Поделитесь новостью:

Подпишитесь на нас:

Telegram, ВКонтакте, MAX